苏州环球科技股份有限公司

产品百科
“链”接可靠 | 报型号就卡壳?如何准确描述您需要的链条?
来源: 时间:2026-03-20

一、链条采购第一道关

在采购链条时你是否遇到过——

屏幕截图 2026-03-13 151848

如何准确、高效地描述链条需求,是不少设备维护和采购人员面临的难题。

二、几个常见的误区

很多朋友拿着拆下来的旧链条问我型号,其实对链条描述不清晰往往是源于以下几种原因——

三、环球带你解决

接下来,链承带大家分五步走,把链条型号一次说清楚。

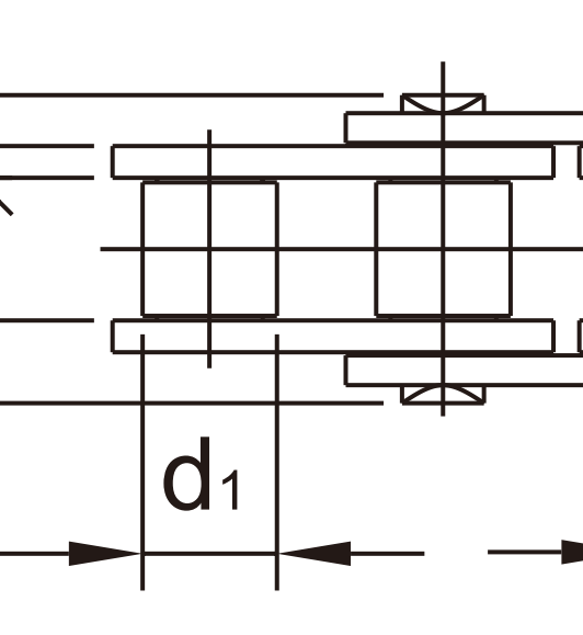
1.锁定三个关键尺

通常只需3个尺寸就可以识别一条链条——

屏幕截图 2026-03-11 103654

屏幕截图 2026-03-11 104024

屏幕截图 2026-03-11 104400

建议:用卡尺测量,取多个节距平均值提高准确性。

2.常见的链条系列区分

A系列 VS B系列

A系列(美标)

未标题-1


B系列(欧标)

3

AL系列 VS BL系列 VS LL系列

AL系列

AL

BL系列

BL

LL系列

LL


3.观察结构细节

接头形式

屏幕截图 2026-03-11 130748

节数奇偶

特殊附件

屏幕截图 2026-03-11 132912

是否有刮板、导向块、加高链板等特殊设计。

4.提供工况信息

屏幕截图 2026-03-20 140929

除了链条本身尺寸,以下信息能帮助您推荐更合适的产品:

5.依托专业支持

生产保障——作为源头厂家,我们拥有年产6000万米链条的生产能力,从原材料到成品全流程自主可控,确保供货稳定、品质可靠。

产品储备——涵盖上万种链条规格型号,可快速响应各类标准需求;针对特殊工况或非标需求,技术团队可提供全流程、高品质的定制服务。

技术支持——从链条识别到选型匹配,从前期咨询到后期维护,提供全程专业咨询,助您避免选型误区。

未命名的设计 (1)

今天分享的沟通方法,只是链条咨询的第一步。真正精准的链条匹配选型,还涉及功率计算、强度校核、工况适配等一系列专业技术问题。

这些,正是我们环球工程师团队的日常。从参数确认到图纸设计,从标准选型到非标定制,我们愿为每一个细节把关,为每一台设备的稳定运行负责。